Features
◇ Large-flow vacuum pumps are suitable for vacuum system of high leakage and porous material and large vacuum circuit.
◇ AH combined type vacuum pump produces high vacuum level while maintaining good flow rate for short reaction time.
| How to order | ||||
| AM 200M P -N -A ① ② ③ ④ ⑤ | ||||
| ① Series | ② Specification | ③ Exhaust type | ④ Sealing | ⑤ Non-return valve |
| AM - Universal type(-92kPa) | 150M 200M 300M 400M 500M | Nil- Standard P- Lateral exhaust | N -NBR E -EPDM F -Fluorine rubber | Nil -Standard,without non-return valve A -With non-return valve |
| AL - Flow type(-81kPa) | ||||
| AH - High vacuum level type(-100.8kPa) | 240M 480M | |||
| Technical parameters | ||||||||
| Model | Air supply pressure(bar) | Max. vacuum level (-kPa) | Max. Vacuum flow (NL/min) | Max.air consumption (NL/min) | Weight(g) | Noise level dB(A) | Recommended hose dia. (mm) | |
| (Hose outer dia.) Air supply | (Wired hose dia.) Vacuum | |||||||
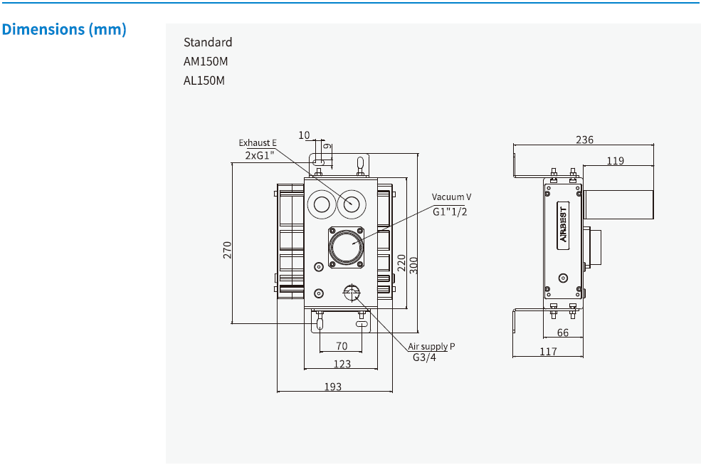
| AM150M | 3.4 | 92 | 1550 | 720 | 3724 | 80 | 16 | 32 |
| AM200M | 3.4 | 92 | 1840 | 930 | 3892 | 81 | 16 | 32 |
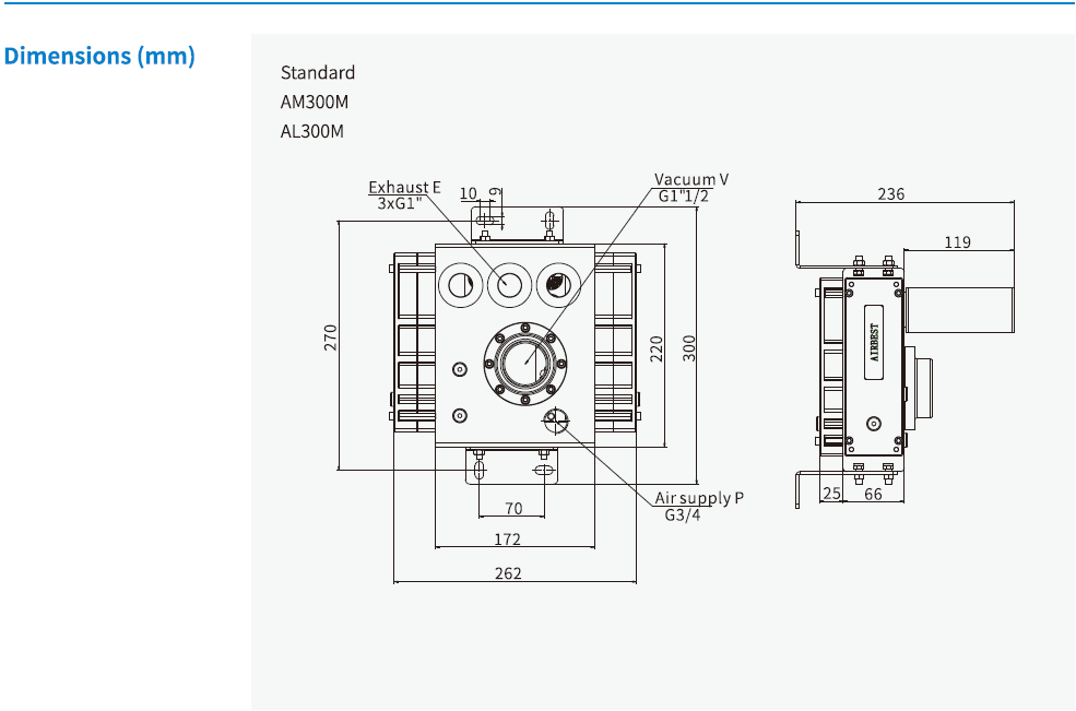
| AM300M | 3.4 | 92 | 2750 | 1420 | 5525 | 81 | 16 | 45 |
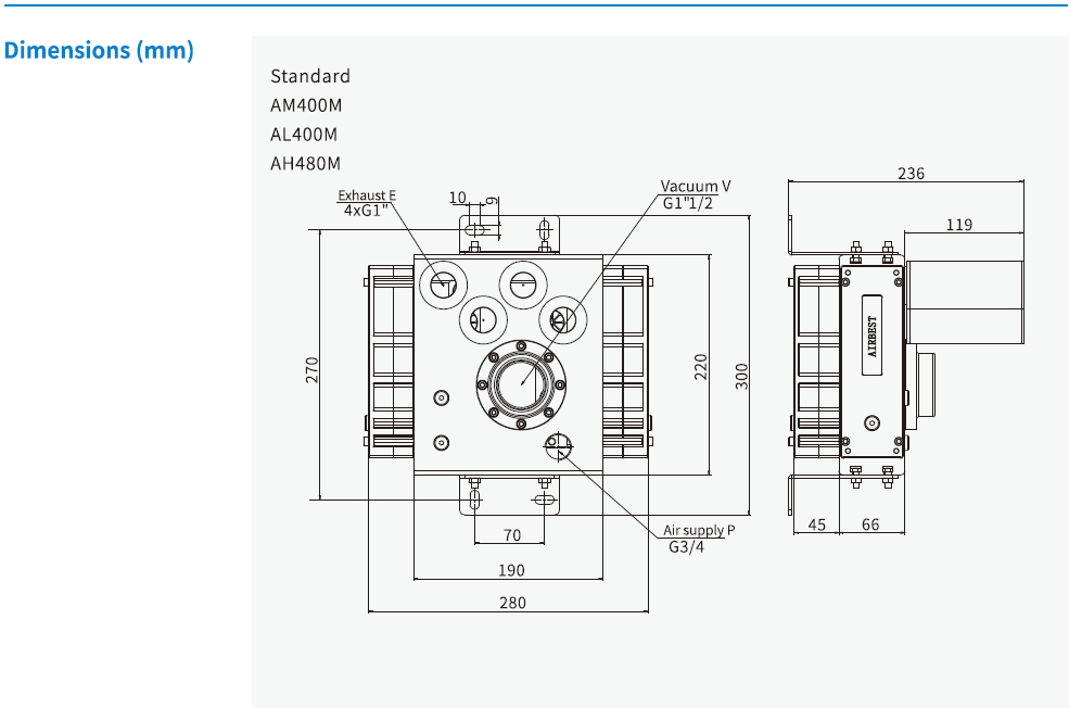
| AM400M | 3.4 | 92 | 3290 | 1680 | 6447 | 81 | 16 | 45 |
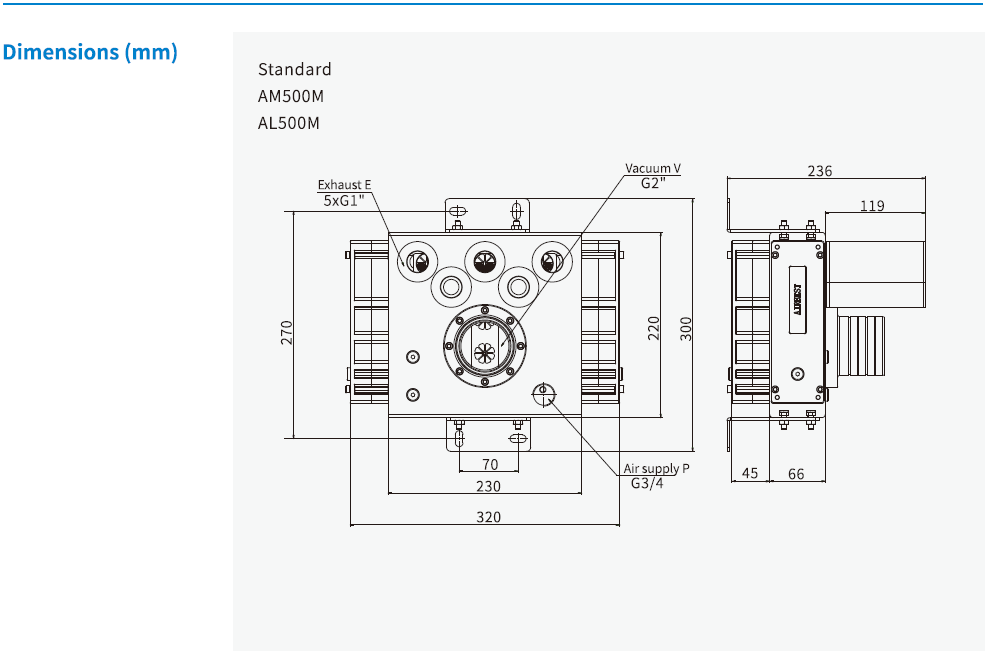
| AM500M | 3.4 | 92 | 3740 | 2440 | 7929 | 82 | 16 | 60 |
| AM150M | 6 | 89 | 1880 | 1120 | 3724 | 80 | 16 | 32 |
| AM200M | 6 | 89 | 2200 | 1460 | 3892 | 81 | 16 | 32 |
| AM300M | 6 | 89 | 3150 | 2200 | 5525 | 81 | 16 | 45 |
| AM400M | 6 | 89 | 3710 | 2790 | 6447 | 81 | 16 | 60 |
| AM500M | 6 | 89 | 4570 | 3520 | 7929 | 82 | 16 | 60 |
| AL150M | 6 | 81 | 1660 | 650 | 3724 | 80 | 16 | 32 |
| AL200M | 6 | 81 | 1950 | 830 | 3892 | 81 | 16 | 32 |
| AL300M | 6 | 81 | 2840 | 1240 | 5525 | 81 | 21 | 45 |
| AL400M | 81 | 3340 | 1650 | 6447 | 81 | 21 | 45 | |
| AL500M | 6 | 81 | 3970 | 2100 | 7929 | 82 | 16 | 60 |
| AH240M | 6 | 100.5 | 1050 | 960 | 3892 | 81 | 16 | 25 |
| AH480M | 6 | 100.5 | 2040 | 1860 | 6447 | 81 | 16 | 32 |
| Vacuum flow (NL/min) at different vacuum levels (-kPa) | |||||||||||||
| Model | Air supply pressure(bar) | Air consumption (NL/min) | 0 | 10 | 20 | 30 | 40 | 50 | 60 | 70 | 80 | 90 | Max. vacuum level (-kPa) |
| AM150M | 3.4 | 720 | 1550 | 840 | 610 | 315 | 205 | 150 | 95 | 80 | 36 | 205 | 92 |
| AM200M | 3.4 | 930 | 1840 | 1090 | 770 | 470 | 280 | 210 | 155 | 95 | 50 | 4 | 92 |
| AM300M | 3.4 | 1420 | 2750 | 1610 | 1160 | 760 | 470 | 325 | 270 | 185 | 80 | 7.5 | 92 |
| AM400M | 3.4 | 1680 | 3290 | 2080 | 1420 | 870 | 620 | 372 | 335 | 215 | 100 | 11.5 | 92 |
| AM500M | 3.4 | 2440 | 3,740 | 2420 | 1800 | 970 | 710 | 590 | 360 | 270 | 130 | 15.5 | 92 |
| AM150M | 6 | 1120 | 1,880 | 1210 | 730 | 640 | 490 | 340 | 200 | 75 | 25 | - | 89 |
| AM200M | 6 | 1460 | 2200 | 1490 | 930 | 800 | 650 | 490 | 245 | 85 | 11 | - | 89 |
| AM300M | 6 | 2290 | 3150 | 2100 | 1410 | 1180 | 930 | 660 | 365 | 105 | 75 | - | 89 |
| AM400M | 6 | 2790 | 3710 | 2480 | 1800 | 1450 | 1100 | 870 | 370 | 195 | 80 | - | 89 |
| AM500M | 6 | 3250 | 4570 | 3240 | 2330 | 1800 | 1470 | 1140 | 700 | 205 | 115 | - | 89 |

| Evacuation time (S/L) to reach different vacuum levels(-kPa) | ||||||||||||
| Model | Air supply pressure(bar) | Air consumption (NL/min) | 10 | 20 | 30 | 40 | 50 | 60 | 70 | 80 | 90 | Max. vacuum level (-kPa) |
| AM150M | 3.4 | 720 | 0.009 | 0.02 | 0.03 | 0.06 | 0.09 | 0.14 | 0.21 | 0.47 | 0.93 | 92 |
| AM200M | 3.4 | 930 | 0.006 | 0.016 | 0.28 | 0.04 | 0.06 | 0.11 | 0.16 | 0.27 | 0.82 | 92 |
| AM300M | 3.4 | 1420 | 0.004 | 0.014 | 0.02 | 0.03 | 0.05 | 0.07 | 0.11 | 0.17 | 0.45 | 92 |
| AM400M | 3.4 | 1680 | 0.004 | 0.01 | 0.015 | 0.023 | 0.03 | 0.05 | 0.08 | 0.13 | 0.37 | 92 |
| AM500M | 3.4 | 2440 | 0.002 | 0.005 | 0.008 | 0.01 | 0.022 | 0.04 | 0.06 | 0.1 | 0.25 | 92 |
| AM150M | 3.4 | 1120 | 0.007 | 0.017 | 0.026 | 0.04 | 0.06 | 0.08 | 0.12 | 0.6 | - | 89 |
| AM200M | 6 | 1460 | 0.005 | 0.012 | 0.022 | 0.03 | 0.04 | 0.06 | 0.11 | 0.33 | - | 89 |
| AM300M | 6 | 2290 | 0.004 | 0.01 | 0.013 | 0.023 | 0.03 | 0.04 | 0.08 | 0.19 | - | 89 |
| AM400M | 6 | 2790 | 0.003 | 0.008 | 0.012 | 0.02 | 0.025 | 0.03 | 0.06 | 0.15 | - | 89 |
| AM500M | 6 | 3250 | 0.002 | 0.005 | 0.008 | 0.015 | 0.02 | 0.027 | 0.05 | 0.12 | - | 89 |

| Vacuum flow (NL/min) at different vacuum levels (-kPa) | |||||||||||
| Model | Air supply pressure(bar) | Air consumption (NL/min) | 0 | 10 | 20 | 30 | 40 | 50 | 60 | 70 | Max. vacuum level (-kPa) |
| AL150M | 6 | 650 | 1660 | 870 | 720 | 450 | 240 | 160 | 115 | 70 | 81 |
| AL200M | 6 | 830 | 1950 | 1140 | 870 | 520 | 305 | 230 | 160 | 105 | 81 |
| AL300M | 6 | 1240 | 2840 | 1660 | 1330 | 810 | 580 | 360 | 265 | 155 | 81 |
| AL400M | 6 | 1650 | 3340 | 2200 | 1730 | 1110 | 630 | 590 | 370 | 225 | 81 |
| AL500M | 6 | 2100 | 3,970 | 2710 | 1990 | 1320 | 790 | 660 | 360 | 270 | 81 |
| Evacuation time (S/L) to reach different vacuum levels(-kPa) | |||||||||||
| Model | Air supply pressure(bar) | Air consumption (NL/min) | 10 | 20 | 30 | 40 | 50 | 60 | 70 | 80 | Max. vacuum level (-kPa) |
| AL150M | 6 | 650 | 0.007 | 0.019 | 0.028 | 0.051 | 0.105 | 0.198 | 0.21 | 0.37 | 81 |
| AL200M | 6 | 830 | 0.005 | 0.013 | 0.023 | 0.04 | 0.06 | 0.98 | 0.15 | 0.3 | 81 |
| AL300M | 6 | 1240 | 0.004 | 0.011 | 0.018 | 0.03 | 0.04 | 0.07 | 0.1 | 0.2 | 81 |
| AL400M | 6 | 1650 | 0.003 | 0.008 | 0.01 | 0.15 | 0.03 | 0.06 | 0.08 | 0.15 | 81 |
| AL500M | 6 | 2100 | 0.002 | 0.005 | 0.008 | 0.01 | 0.022 | 0.04 | 0.06 | 0.1 | 81 |

| Vacuum flow (NL/min) at different vacuum levels (-kPa) | |||||||||||||||
| Model | Air supply pressure(bar) | Air consumption (NL/min) | 0 | 10 | 20 | 30 | 40 | 50 | 60 | 70 | 80 | 90 | 95 | 99 | Max. vacuum level (-kPa) |
| AH240M | 6 | 960 | 1050 | 820 | 560 | 310 | 155 | 125 | 85 | 70 | 39 | 20 | 8 | 1.3 | 1.3 |
| AH480M | 6 | 1860 | 2040 | 1600 | 1150 | 690 | 345 | 270 | 210 | 120 | 110 | 19 | 15 | 2.5 | 100.8 |
| Evacuation time (S/L) to reach different vacuum levels(-kPa) | ||||||||||||||
| Model | Air supply pressure(bar) | Air consumption (NL/min) | 10 | 20 | 30 | 40 | 50 | 60 | 70 | 80 | 90 | 95 | 99 | Max. vacuum level (-kPa) |
| AH40 | 6 | 960 | 0.006 | 0.014 | 0.03 | 0.06 | 0.11 | 0.17 | 0.25 | 0.38 | 0.7 | 1.1 | 2.2 | 100.5 |
| AH120 | 6 | 1860 | 0.004 | 0.01 | 0.02 | 0.03 | 0.05 | 0.08 | 0.13 | 0.2 | 0.37 | 0.55 | 0.12 | 100.5 |










